產品系列
- 32.768KHz
- 石英晶振
- 貼片晶振
- 聲表面濾波器
- 陶瓷晶振
- 陶瓷霧化片
- 陶瓷濾波器
- 微孔霧化片
- CTS晶振
- KDS晶振
- 愛普生晶振
- 西鐵城晶振
- 精工晶體
- 村田晶振
- 京瓷晶振
- DST310S晶振
- 日本大河晶體
- NDK晶振
- 亞陶晶振
- 日本富士晶振
- NAKA晶振
- SMI晶振
- NKG晶振
- NJR晶振
- 臺灣加高諧振器
- 臺灣鴻星晶體
- TXC晶振
- 臺灣希華晶振
- 臺灣泰藝晶體
- NSK晶振
- AKER晶振
- Dynamic迪拉尼晶振
- Q-Tech晶振
- ABRACON晶振
- VECTRON晶振
- JAUCH晶振
- ConnorWinfield晶振
- Rakon晶振
- ECS晶振
- Greenray晶振
- ECLIPTEK晶振
- GOLLEDGE晶振
- STATEK晶振
- Pletronics晶振
- SITIME晶振
- Microcrystal晶振
- RALTRON晶振
- AEK晶振
- AEL晶振
- ILSI晶振
- FOX晶振
- fujicom晶振
- CRYSTEK晶振
- interquip晶振
- Geyer晶振
- quartzcom晶振
- qantek晶振
- EUROQUARTZ晶振
- quarztechnik晶振
- Cardinal晶振
- FRE-TECH晶振
- KVG晶振
- wi2wi晶振
- Transko晶振
- suntsu晶振
- mmdcomp晶振
- MERCURY晶振
- MTRONPTI晶振
- ACT晶振
- MTI晶振
- Lihom晶振
- Rubyquartz晶振
- Oscilent晶振
- SHINSUNG晶振
- ITTI晶振
- PDI晶振
- IQD晶振
- Microchip晶振
- Silicon晶振
- Anderson晶振
- Fortiming晶振
- CORE晶振
- NIPPON晶振
- NIC晶振
- QVS晶振
- Bomar晶振
- Bliley晶振
- GED晶振
- FILTRONETICS晶振
- STD晶振
- Wenzel晶振
- NEL晶振
- EM晶振
- PETERMANN晶振
- FCD-Tech晶振
- HEC晶振
- FMI晶振
- Macrobizes晶振
- AXTAL晶振
- SUNNY晶振
- ARGO晶振
- Renesas瑞薩晶振
- SKYWORKS晶振
晶振廠家
進口晶振
臺產晶振
歐美晶振
Tel:0755-27838351
Add:廣東深圳市寶安區67區留仙一路甲岸科技園3棟5樓
Email:konuaer@163.com
QQ:632862232
晶振官方博客
更多>>.jpg)

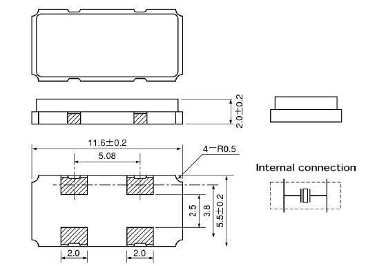
西鐵城石英晶振,CS20陶瓷面晶振,電話機晶振,"CS20-3.6864MABJ-UT",小型表面貼片型晶體諧振器,特別適用于有小型化要求的市場領域,小型,薄型優良的耐環境特性,包括耐熱性,耐沖擊性等,在移動通信領域可發揮優良的電氣特性,滿足無鉛焊接的回流溫度曲線要求.
☆☆☆☆☆☆☆☆☆☆☆☆☆☆☆☆☆☆☆☆☆☆☆☆☆☆☆☆☆☆☆☆☆☆☆☆☆☆☆
.gif)
| 西鐵城晶振項目 | 符號 | 規格說明 | 條件 | |
|---|---|---|---|---|
| 額定頻率范圍 | f_nom | CS20 | 3.5MHz~30.0MHz | 請聯系我們以便獲取其它可用頻率的相關信息 |
| 儲存溫度 | T_stg | -55°C to +125°C | 裸存 | |
| 工作溫度 | T_use | -40°C to +85°C | ||
| 激勵功率 | DL | 0.5μW (1.0μW Max.) | 如果你有最大激勵功率為1.0μW 的需求,請聯系我們. | |
|
頻率公差 (標準) |
f_tol | ±20 × 10-6 |
+25°C, DL=0.1μW 如需更嚴格的公差,聯系我們 |
|
| 拐點溫度 | Ti | +25°C ±5°C | ||
| 頻率溫度系數 | B | -0.04 × 10-6/ °C2 Max. | ||
| 負載電容 | CL | 7pF, 9pF, 12.5pF | 可指定 | |
| 串聯電阻(ESR) | R1 | 70kΩ Max. | 70kΩ to 45kΩ | |
| 串聯電容 | C1 | 3.4fF Typ. | 3.7fF to 1.6fF | |
| 分路電容 | C0 | 1.0pF Typ. | 1.3pF to 0.5pF | |
| 頻率老化 | f_age | ±3 ×10-6 / year Max. | +25°C, 第一年 | |
.gif)


經由不同的石英切割角度及不同電極型狀的電場效應, "CS20-3.6864MABJ-UT",石英芯片展現了各種不同的振動模態. 以經常產生的振動模態可以概分為擾曲模態(flexure mode), 伸縮模態(extension mode), 面剪切模態(face shear mode) 和 厚度剪切模態(thickness shear mode). 這幾種振動模態以簡單的方法在表一中可以看到. 在實際狀況中, 石英芯片并不是一定祇有單一種振動模態, 而可能有多種模態同時存在在一個石英芯片的振蕩中, 經由適當的設計, 可以壓制其它不希望產生的振動模態(unwanted mode), 來達到主要振動模態的最佳化.
.jpg)

.jpg)
"CS20-3.6864MABJ-UT",西鐵城提出的“為市民所喜愛、為市民做貢獻”的企業理念,是指通過“生產為市民所喜愛、為市民所親近的產品”,為全世界人民的美好生活做出廣泛貢獻.
運用世界領先的小型精密技術發掘尚未被開發出來的、符合人們期待和需求的產品及“新的款式“,不斷創造出實際價值.這就是西鐵城集團的“Micro Human Tech”——想象力和科學技術碰撞交融后的結晶.
微型技術,是我們的領域.
人類,是我們的理念.
科學技術,是我們的基礎.


為追求生產綠色產品之目標,將環保理念納入采購流程中,采購人員于收集市場資訊時,"CS20-3.6864MABJ-UT",優先提供符合「西鐵城集團無有害物質管理作業標準」之材料相關資訊予產品設計人員參考,并依其要求提供符合規范之樣品與規格.原材物料承認時,采購人員須請供應商填寫公司提供之問卷表單及相關RoHS檢測報告,經原材物料相關審驗單位審查通過后,方可使用.
近來由于污染排放總量管制受到應有重視,各種污染減量與管理機制的議題已陸續成為主管機關與企業間執行污染防制的重點,而西鐵城電子本身由于受到環保機關污染總量管制,污染物排放量有一定的承諾限值,加上各類相關環保議題的要求,亦訂定與規劃相關減量目標,全力保護有限的地球資源與環境.
.gif)
1.技術支持 2.客服咨詢
全方位技術指導,專業的技術支持讓您感受到 專業的銷售團隊,耐心為您解答任何疑問,讓您的
前所未有的后顧無憂. 消費得到保障.
3.質量保證,誠信為上 4.提升業績,降低成本
我司以“以科技為動力,以質量求生存”為理念. 為您的產品量身訂制,免費取樣,
為您做到低成本,高效率.

全方位技術指導,專業的技術支持讓您感受到 專業的銷售團隊,耐心為您解答任何疑問,讓您的
前所未有的后顧無憂. 消費得到保障.
3.質量保證,誠信為上 4.提升業績,降低成本
我司以“以科技為動力,以質量求生存”為理念. 為您的產品量身訂制,免費取樣,
為您做到低成本,高效率.

| 深圳市康華爾電子有限公司 |
| 電 話: +86-755-27838351 |
| 手 機:13823300879 |
| 傳 真: +86-755-27883106 |
| Q Q: 632862232 |
| MSN: konuaer@163.com |
| E-mail:konuaer@163.com |
| 網 址:http://m.wftv100.com |
| 地 址:深圳市寶安區67區留仙一路甲岸科技園3棟 |






銷售代表
售后服務