晶振官方博客
更多>>不同類型的Crystal Oscillator工作與電路知識盤點
來源:http://m.wftv100.com 作者:康華爾電子 2020年03月13
不同類型的Crystal Oscillator工作與電路知識盤點
市場上常見的石英晶體振蕩器有很多種,比較熟悉的是SPXO,TCXO,VCXO,OCXO,VC-TCXO等系列,雖然是常用的一種電子元器件,但是你對它的了解有多少呢?大多數人都不知道振蕩器是如何工作的,以及如何設計它們的電路,今天康華爾電子就給大家帶來一波干貨,如何認為有用的請收藏.
晶體振蕩器是一種電子振蕩器電路,用于壓電材料振動晶體的機械共振.它將創建給定頻率的電信號.該頻率通常用于跟蹤時間,例如手表用于數字集成電路中以提供穩定的時鐘信號,還用于穩定無線電發射器和接收器的頻率.石英晶體主要用于射頻(RF)振蕩器.石英晶體是壓電諧振器中最常見的類型,在振蕩器電路中,我們正在使用它們,因此它被稱為晶體振蕩器.晶體振蕩器必須設計成提供負載電容.
使用的振蕩器電子電路有不同類型,分別是:線性振蕩器-Hartley振蕩器,相移振蕩器,Armstrong振蕩器,Clapp振蕩器,Colpitts振蕩器.張弛振蕩器-羅耶振蕩器,環形振蕩器,多諧振蕩器和壓控晶體振蕩器(VCO).不久,我們將詳細討論晶體振蕩器,例如晶體振蕩器的工作和應用. 什么是石英晶體?
石英晶體具有非常重要的特性,稱為壓電效應.當在晶體表面上施加機械壓力時,與機械壓力成比例的電壓出現在晶體上.該電壓會導致晶體失真.失真的量將與施加的電壓成正比,并且與施加到晶體上導致其以固有頻率振動的交流電壓成正比.
石英晶體電路:
通常,在晶體振蕩器電路的構造中使用雙極型晶體管或FET.這是因為運算放大器可以在低于100KHz的不同低頻振蕩器電路中使用,但是運算放大器沒有工作帶寬.在與高于1MHz的晶振匹配的更高頻率下,這將是一個問題.為了克服這個問題,設計了Colpitts晶體振蕩器.它將在更高的頻率下工作.在該振蕩器中,提供反饋振蕩的LC振蕩電路已由石英晶體代替.
晶體振蕩器電路通常根據逆壓電效應原理工作.施加的電場將在某些材料上產生機械變形.因此,它利用了由壓電材料制成的振動晶體的機械共振來產生特定頻率的電信號.通常,石英晶體振蕩器是高度穩定的,由良好的品質因數(Q)組成,它們的尺寸小且與經濟相關.因此,與其他諧振器(例如LC電路,音叉)相比,石英晶體振蕩器電路更為優越.通常,在微處理器和微控制器中,我們使用8MHz晶體振蕩器.等效電路還描述了晶體的晶體作用.只需看上面顯示的等效電路圖即可.電路中使用的基本組件,電感L代表晶體質量,電容C2代表柔度,C1代表由于晶體的機械模制而形成的電容,電阻R代表晶體的內部結構摩擦,有源晶振電路該圖包括兩個諧振,例如串聯和并聯諧振,即兩個諧振頻率.
晶體振蕩器的用途:
通常,我們知道,在微處理器和微控制器的設計中,為了提供時鐘信號而使用了晶體振蕩器.例如,讓我們考慮8051微控制器,在這個特定的控制器中,外部晶體振蕩器電路將以12MHz的頻率工作,這是必不可少的,即使該8051微控制器(基于型號)能夠以40MHz(最大)的頻率工作也必須提供12MHz在大多數情況下,因為一個機器周期8051需要12個時鐘周期,所以要給出1MHz(以12MHz時鐘為準)至3.33MHz(以最大40MHz時鐘為準)的有效周期速率.這種特定的晶體振蕩器的周期速率在1MHz到3.33MHz之間,用于生成所有內部操作同步所需的時鐘脈沖.
晶體振蕩器的應用
晶體振蕩器在各個領域都有各種應用,下面給出了一些晶體振蕩器的應用.
科爾皮茲晶體振蕩器的應用
Colpitts振蕩器用于產生非常高頻率的正弦輸出信號.該振蕩器可以用作不同類型的傳感器,例如溫度傳感器.由于我們在Colpitts電路中使用的SAW聲表面濾波器器件,它可以直接從其表面進行感應.
阿姆斯壯晶體振蕩器的應用:
該電路一直流行到1940年代.這些被廣泛地用于再生無線電接收機中.在該輸入中,來自天線的射頻信號通過額外的繞組磁耦合到振蕩電路中,并且減少了反饋,以在反饋環路中進行控制.最后,它產生了一個窄帶射頻濾波器和放大器.在該晶體振蕩器中,LC諧振電路被反饋環路取代.
對于有效的通信系統,晶體振蕩器用于軍事和航空航天.該通信系統是建立在導航系統的導航目的和電子戰.
在研究和測量:
石英晶體振蕩器被用于天體導航和空間跟蹤目的的研究和測量,醫療設備和測量儀器中.
晶體振蕩器的工業應用:
晶體振蕩器在工業上有許多應用.它們廣泛用于計算機,儀器儀表,數字系統,鎖相環系統,調制解調器,船舶,電信,傳感器以及磁盤驅動器中.晶體振蕩器還用于引擎控制,時鐘以及使計算機,立體聲系統和GPS系統跳閘.這是汽車應用.晶體振蕩器用于許多消費品中.例如,有線電視系統,攝像機,個人計算機,玩具和視頻游戲,蜂窩電話,無線電系統.這是晶體振蕩器的消費類應用.
不同類型的Crystal Oscillator工作與電路知識盤點
市場上常見的石英晶體振蕩器有很多種,比較熟悉的是SPXO,TCXO,VCXO,OCXO,VC-TCXO等系列,雖然是常用的一種電子元器件,但是你對它的了解有多少呢?大多數人都不知道振蕩器是如何工作的,以及如何設計它們的電路,今天康華爾電子就給大家帶來一波干貨,如何認為有用的請收藏.
晶體振蕩器是一種電子振蕩器電路,用于壓電材料振動晶體的機械共振.它將創建給定頻率的電信號.該頻率通常用于跟蹤時間,例如手表用于數字集成電路中以提供穩定的時鐘信號,還用于穩定無線電發射器和接收器的頻率.石英晶體主要用于射頻(RF)振蕩器.石英晶體是壓電諧振器中最常見的類型,在振蕩器電路中,我們正在使用它們,因此它被稱為晶體振蕩器.晶體振蕩器必須設計成提供負載電容.
使用的振蕩器電子電路有不同類型,分別是:線性振蕩器-Hartley振蕩器,相移振蕩器,Armstrong振蕩器,Clapp振蕩器,Colpitts振蕩器.張弛振蕩器-羅耶振蕩器,環形振蕩器,多諧振蕩器和壓控晶體振蕩器(VCO).不久,我們將詳細討論晶體振蕩器,例如晶體振蕩器的工作和應用. 什么是石英晶體?
石英晶體具有非常重要的特性,稱為壓電效應.當在晶體表面上施加機械壓力時,與機械壓力成比例的電壓出現在晶體上.該電壓會導致晶體失真.失真的量將與施加的電壓成正比,并且與施加到晶體上導致其以固有頻率振動的交流電壓成正比.
通常,在晶體振蕩器電路的構造中使用雙極型晶體管或FET.這是因為運算放大器可以在低于100KHz的不同低頻振蕩器電路中使用,但是運算放大器沒有工作帶寬.在與高于1MHz的晶振匹配的更高頻率下,這將是一個問題.為了克服這個問題,設計了Colpitts晶體振蕩器.它將在更高的頻率下工作.在該振蕩器中,提供反饋振蕩的LC振蕩電路已由石英晶體代替.
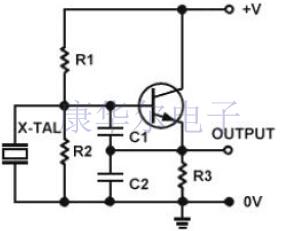
體振蕩器電路圖
晶體振蕩器工作:晶體振蕩器電路通常根據逆壓電效應原理工作.施加的電場將在某些材料上產生機械變形.因此,它利用了由壓電材料制成的振動晶體的機械共振來產生特定頻率的電信號.通常,石英晶體振蕩器是高度穩定的,由良好的品質因數(Q)組成,它們的尺寸小且與經濟相關.因此,與其他諧振器(例如LC電路,音叉)相比,石英晶體振蕩器電路更為優越.通常,在微處理器和微控制器中,我們使用8MHz晶體振蕩器.等效電路還描述了晶體的晶體作用.只需看上面顯示的等效電路圖即可.電路中使用的基本組件,電感L代表晶體質量,電容C2代表柔度,C1代表由于晶體的機械模制而形成的電容,電阻R代表晶體的內部結構摩擦,有源晶振電路該圖包括兩個諧振,例如串聯和并聯諧振,即兩個諧振頻率.
晶體振蕩器工作
當電容C1產生的電抗與電感L產生的電抗相等且相反時,會發生串聯諧振.fr和fp分別代表串聯和并聯諧振頻率,可以通過使用來確定'fr'和'fp'的值.晶體振蕩器的用途:
通常,我們知道,在微處理器和微控制器的設計中,為了提供時鐘信號而使用了晶體振蕩器.例如,讓我們考慮8051微控制器,在這個特定的控制器中,外部晶體振蕩器電路將以12MHz的頻率工作,這是必不可少的,即使該8051微控制器(基于型號)能夠以40MHz(最大)的頻率工作也必須提供12MHz在大多數情況下,因為一個機器周期8051需要12個時鐘周期,所以要給出1MHz(以12MHz時鐘為準)至3.33MHz(以最大40MHz時鐘為準)的有效周期速率.這種特定的晶體振蕩器的周期速率在1MHz到3.33MHz之間,用于生成所有內部操作同步所需的時鐘脈沖.
晶體振蕩器的應用
晶體振蕩器在各個領域都有各種應用,下面給出了一些晶體振蕩器的應用.
科爾皮茲晶體振蕩器的應用
Colpitts振蕩器用于產生非常高頻率的正弦輸出信號.該振蕩器可以用作不同類型的傳感器,例如溫度傳感器.由于我們在Colpitts電路中使用的SAW聲表面濾波器器件,它可以直接從其表面進行感應.
科爾皮茲晶體振蕩器
Colpitts振蕩器的應用主要涉及使用廣泛頻率的地方.也用于無阻尼和連續振蕩條件.使用Colpitts電路中的某些設備,我們可以實現更高的溫度穩定性和高頻.Colpitts用于開發移動通信和無線電通信.阿姆斯壯晶體振蕩器的應用:
該電路一直流行到1940年代.這些被廣泛地用于再生無線電接收機中.在該輸入中,來自天線的射頻信號通過額外的繞組磁耦合到振蕩電路中,并且減少了反饋,以在反饋環路中進行控制.最后,它產生了一個窄帶射頻濾波器和放大器.在該晶體振蕩器中,LC諧振電路被反饋環路取代.
阿姆斯特朗晶體振蕩器
在軍事和航空航天中:對于有效的通信系統,晶體振蕩器用于軍事和航空航天.該通信系統是建立在導航系統的導航目的和電子戰.
在研究和測量:
石英晶體振蕩器被用于天體導航和空間跟蹤目的的研究和測量,醫療設備和測量儀器中.
晶體振蕩器的工業應用:
晶體振蕩器在工業上有許多應用.它們廣泛用于計算機,儀器儀表,數字系統,鎖相環系統,調制解調器,船舶,電信,傳感器以及磁盤驅動器中.晶體振蕩器還用于引擎控制,時鐘以及使計算機,立體聲系統和GPS系統跳閘.這是汽車應用.晶體振蕩器用于許多消費品中.例如,有線電視系統,攝像機,個人計算機,玩具和視頻游戲,蜂窩電話,無線電系統.這是晶體振蕩器的消費類應用.
不同類型的Crystal Oscillator工作與電路知識盤點
正在載入評論數據...
相關資訊
- [2022-09-07]出色穩定性能的5032mm石英晶體振蕩器X1...
- [2022-08-01]diodes晶振專用于時間顯示設備的32.768...
- [2022-07-27]伊西斯的新型且創意的低姿態TCXO晶體振...
- [2020-06-22]深入探討有源晶振8個基礎參數詞匯
- [2020-05-25]SiTime開發的新軟件可模擬振蕩器時間誤...
- [2020-05-12]微處理器應該怎樣選擇匹配晶振?一文足...
- [2020-04-14]NDK株式會社差分振蕩器NP3225SBB規格更...
- [2020-03-13]不同類型的Crystal Oscillator工作與電...
- [2019-11-09]了解EPSON晶振獨特的封裝技術
- [2019-09-21]NDK振蕩器電路圖介紹及安裝示例
- [2019-09-16]擁有聲子晶體結構的AT切割諧振器共振分...
- [2019-09-04]SMD Oscillator高溫回流焊接的滯后反應...


銷售代表
售后服務